

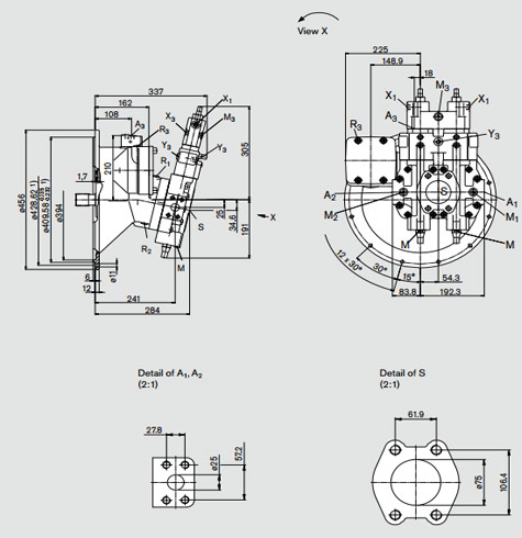
Bosch Rexroth A8VO80 pump characteristics
The Bosch Rexroth A8VO80 is a variable displacement axial piston pump designed for open and closed loop systems. Due to its high efficiency and reliability, this pump is widely used in mobile applications and industrial systems.
Technical specifications of Bosch Rexroth A8VO80:
- Type: axial piston
- Displacement: 80 cm3
- Working pressure:
- Nominal: up to 40 MPa 400 bar
- Maximum: up to 45 MPa 450 bar
- Maximum rotation speed: 2800 rpm
- Productivity (at maximum speed): up to 224 l/min
- Weight: 40–45 kg
- Operating medium: mineral oils (HLP) or bio-oils (according to DIN 51524).
- Application in special equipment: tractors, sprayers, combines, manipulators, lifting platforms, logging machines, etc.
Hydraulic pump cross number: 400914-00116, 4441981, R992001598, R902201521, R902200189, R902163890, R902204563, R902193930, R909448701, R902193921, R902235213, R902094926, R902204780, R992001599, R902228177, R902038720, R902204770, R909428177, R902228306, R909611343, R902084391, R902228175, R988017393, R909419312, R902204555, R902119839, R902193929, R902115944, R902163888, R902204553, R902191917, R902193922, R902158758, R902043711, R902084229, R902201522, R902189116, R902119841, R902189144, R902115946, R902084389, R902227582, R902084024, R902227604, R902038760, R909603627, R902054830, R902094928, R902107708, R902036685, R902063899, R902068557, R902070840, R902040218, R909434859, R909434858, R909411235, R902035253, R909448700, R909603671, R902060394, R902086512, R909442740, R902221173, R902166074, R902166090, R902166560, R902166648, R902166679, R902166726, R902166874, R902166092, R902060404, R992001600, R992001597, R992001345, R992000488, R992000489, R992001277, R992000205, R992000204, R902060403, R992000275, R992000273, R992000280, R909422543, R902107974
Installed in the model:
- DOOSAN SOLAR DX140, DX160, DX180, 170W-V, 185W-V
- Sennebogen ZM19
- Hitachi ZX160, ZX185
- CASE WX-185, 988P
- Hyundai R170W-3, R180LC-3, R200NLC-3, R1800LC-3, R1700W-3
The company "Aspect Plus" offers a wide range of spare parts for the repair of the Bosch Rexroth A8VO80 hydraulic pump.
